水栓柱 オンリーワン ジラーレW(補助蛇口付) 開閉防止タイプ マスタード TK3-KBWMUの通販は環境生活

TOP > ガーデン・水まわり > 水栓柱

オンリーワン ジラーレW(補助蛇口付) 開閉防止タイプ マスタード TK3-KBWMU
オンリーワン ジラーレW(補助蛇口付) 開閉防止タイプ マスタード TK3-KBWMU
オンリーワン ジラーレW(補助蛇口付) 開閉防止タイプ マスタード TK3-KBWMU

オンリーワン ジラーレW(補助蛇口付) 開閉防止タイプ マスタード TK3-KBWMU

商品番号 tk3-kbwmu

定価65,340円のところ
全品5%OFFセール!2026/2/26まで46,284円(税込)

この商品を購入すると463ポイント進呈

[ 送料パターン 送料無料(1) ]

数量
商品についてのお問い合わせ
お気に入りに登録 お気に入りに登録済み

ご購入前の注意点
・午前・午後等の時間帯を含め、配達日時はご指定いただけません。


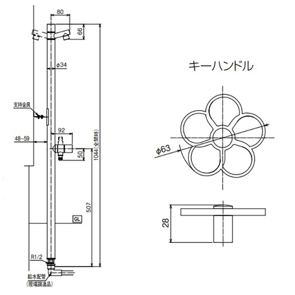
■サイズ:高さ1044mm
■直径:34mm
■重量:2.3kg
■材質:アルミ
■材質:ステンレス

開閉防止タイプのジラーレ。
スタイリッシュに水を守ります。

使う時だけ、かわいいキーハンドルで開閉が出来ます。
店舗や公共の施設に最適です。

●補助蛇口はホースアダプター一体型です。
●補助蛇口の位置は現場合わせでお願いします。
●凍結のおそれがある場合は必ず水抜栓を設置してください。